參數相近的AM103026MM-EM-R與HMC374,為什么推薦使用AM103026MM-EM-R?
2019-11-25 15:01:02
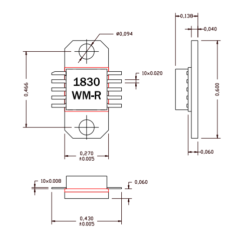
HMC374是ADI的萬能寬頻寬低噪音調小器(LNA),次數代替0.3至3.0 GHz。 并選擇+2.75V至5.5V單正開關電源時,LNA給予15 dB增加收益控制,1.5 dB噪音指數公式。該電子元件體現了低噪音指數公式、高P1dB (22 dBm)和高OIP3 (37 dBm),是非常恰當蜂窩技術選用。家用suvsuv型LNA歸劃并選擇重視可按順序增加收益控制和噪音指數公式意義的片內相配對。 是為了使板平數表面積最小,歸劃并選擇低賺了錢SOT26封裝形式,被占平數僅為0.118” x 0.118”。HMC374適代替蜂窩/PCS/3G、WCS, MMDS 和ISM 、穩固wifi和WLAN和多功能地面挪動wifi電等技術選用概念,不須外鏈相配對