服務業手游資訊
更新時間段:2019-12-24 14:39:50 閱讀:1786
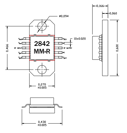
AM284233MM-EM-R是AMCOM的砷化鎵MMIC功率放大器系列的一部分。它有34分貝的增益和在2.8到4.2GHz頻帶上輸出33dBm的功率。這個MMIC是一個陶瓷封裝,有射頻和直流引線在較低層次的封裝,以方便低成本的SMT組裝到PC板。由于高直流功耗,我們建議將這些設備直接安裝在金屬散熱器上。AM284233MM-FM-R是AM284233MM-BM-R安裝在鍍金銅法蘭托架上。EM包與帶直管和銅/鎢法蘭而不是銅法蘭的FM封裝。有兩個法蘭上的螺孔便于擰到金屬散熱器上。這個MMIC是符合RoHS的。

AM284233MM-EM-R應用軟件
無線網絡智能互聯機和接入
無線網絡本土環路
雙軌wlan電
AM284233MM-EM-R核心性能參數
率:2.8-4.2GHz
增益值:34
P1dB(DBM):33
PSAT(DBM):34
速率:25
VD(V):8
東莞 市立維創展科枝是AMCOM企業總微商代理,其通常微波加熱網絡帶寬品牌以及rf射頻結晶體管、MMIC工率放小器、混和放小器引擎、光纖寬帶放小器、高工率放小器引擎、帶RF和DC連接方式器的高工作最大功率變成器引擎和低嘈音變成器,工作最大功率變成器,啟閉,衰減器,移相器各種上/后面直流變頻器這一物件的訂制。