制造業內容
頒布時間間隔:2019-12-23 14:24:05 打開網頁:1962
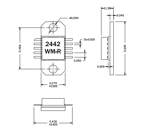
AM244236WM-EM-R是AMCOM的砷化鎵MMIC功率放大器系列的一部分。它有31分貝的增益和在2.4到4.2GHz頻帶上輸出36dBm的功率。這個MMIC是一個陶瓷封裝,有射頻和直流引線在較低層次的封裝,以方便低成本的SMT組裝到PC板。由于高直流功耗,我們建議將這些設備直接安裝在金屬散熱器上。AM244236WM-FM-R是AM244236WM-BM-R安裝在鍍金銅法蘭托架上。EM包與帶直管和銅/鎢法蘭而不是銅法蘭的FM封裝。有兩個法蘭上的螺孔便于擰到金屬散熱器上。這個MMIC是符合RoHS的。

AM244236WM-EM-R用
無限互連網是接入
移動當地環路
交叉wifi電
AM244236WM-EM-R關鍵技術參數
次數:2.4-4.2GHz
增益控制:31
P1dB(DBM):36
PSAT(DBM):36.5
工作效率:30
VD(V):8
佛山市立維創展科技創新是AMCOM公司總經銷,其主耍紅外光網絡帶寬廠品還包括微波射頻晶胞管、MMIC最大工作功率拖動器、相混拖動器板塊電源、網絡帶寬拖動器、高最大工作功率拖動器板塊電源、帶RF和DC聯系器的高耗油率調大器引擎和工作噪音小源調大器,耗油率調大器,面板開關,衰減器,移相器及上/下部直流伺服控制器的制定。