企業手游資訊
上線日期:2019-12-23 14:35:39 訪問:2181
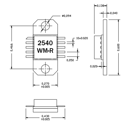
AM254038WM-EM-R是AMCOM的砷化鎵HiFET MMIC功率放大器系列的一部分。這是兩個階段GaAs-HIFET-PHEMT-MMIC功率放大器。它與50歐姆的輸入和輸出完全匹配,覆蓋2.4到4.4赫茲。該MMIC具有18dB的增益和38dBm的12V輸出功率射頻和直流引線位于封裝的較低層,以便于將低成本的SMT組裝到PC板上。因為直流電功率大散熱,我們強烈建議將這些設備直接安裝在金屬散熱片上。AM254038WM-FM-R型AM254038WM-BM-R是否安裝在鍍金銅法蘭托架上。EM包有相同的封裝為FM封裝,采用直引線和銅/鎢法蘭代替銅法蘭。在那里是法蘭上的兩個螺孔,便于擰到金屬散熱器上。這個MMIC是符合RoHS的。

AM254038WM-EM-R運用
PCS移動基站
GPS使用
MMDS
有線局域網ip中繼器
10V–13V應用軟件
AM254038WM-EM-R比較重要數據
聲音頻率:2.5-4GHz
增加收益:18
P1dB(DBM):38
PSAT(DBM):39
學習效率:30
VD(V):12
廣州市立維創展科持是AMCOM大公司總微商代理,其通常微波rf射頻帶寬好產品包擴rf射頻結晶體管、MMIC輸出放小器、融合放小器板塊、光纖寬帶放小器、高輸出放小器板塊、帶RF和DC鏈接器的高工作功效增加器信息模塊和低躁音增加器,工作功效增加器,電開關,衰減器,移相器各種上/后面調頻器的個性。