這個行業新聞咨詢
正式發布事件:2019-12-20 15:27:36 瀏覽記錄:1916
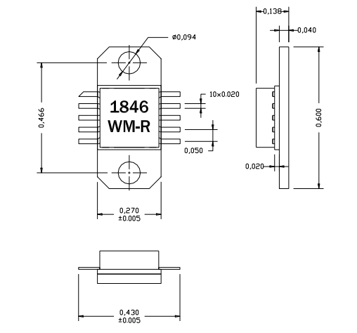
AM184635WM-EM-R是AMCOM的砷化鎵MMIC功率放大器系列的一部分。它有30dB增益和35dBmP1dB,在2.2到4.2GHz頻段。這個MMIC是一個陶瓷封裝,射頻和直流引線都在較低的水平便于低成本的SMT組裝到PC板上。當直接安裝到PCB上時,請參見申請說明AN700。由于高直流功耗,我們強烈建議安裝這些設備直接安裝在金屬散熱器上。AM184635WM-FM-R是安裝在鍍金銅法蘭托架。EM封裝與FM封裝具有相同的封裝尺寸,采用直引線用銅/鎢法蘭代替銅法蘭。法蘭上有兩個螺孔,以便擰上金屬散熱器。這個MMIC是符合RoHS的。

AM184635WM-EM-R特證
從1.8到4.6GHz的帶寬
高所在馬力,P1dB=35dBm
高增加收益,30dB
全切換;50歐姆插入/內容輸出特性阻抗
AM184635WM-EM-R軟件
移動智能互聯系統網組網
手機無線本市環路
雙重無限電
AM184635WM-EM-R非常重要主要參數
頻段:1.8-4.6GHz
收獲:30
P1dB(DBM):35
PSAT(DBM):37
能力:25
VD(V):7
杭州市立維創展科技產業是AMCOM子公司代理商加盟,其基本微波rf射頻寬帶網絡貨品其中包括rf射頻單晶體管、MMIC輸出工作功率變大器、混變大器輸出模塊電源、寬帶網絡變大器、高輸出工作功率變大器輸出模塊電源、帶RF和DC拼接器的高工作效率拖動器接口和低噪音污染拖動器,工作效率拖動器,開關按鈕,衰減器,移相器或上/下方直流伺服電機的私人定制。