餐飲行業分析、短視頻軟件
披露周期:2019-12-09 15:25:51 預覽:2073
HMC618A是ADI品牌的MMIC低噪聲放大器,該放大器的作業頻率為1.2 - 2.2 GHz,經過優化,選用+5V單電源時供給0.75 dB的噪聲系數、19 dB的增益和+36 dBm的輸出IP3,HMC618A低環境噪聲調大器提供超卓的鍵盤輸入和傷害回損模塊,LNA僅需特少的外邊切換和偏置去耦元器件封裝,選用本質特征為蜂窩/3G、LTE/WiMAX/4G移動基站、BTS和基本知識油煙凈化器、中繼器和毫慢慢蜂窩和公共性健康無線數字電等
HMC618A關鍵性技術指標:
頻帶寬度:1.2G - 2.2G
背景噪聲公式: 0.75 dB
增益值:19dB
OIP3:35dBm
單主機電源: +3V至+5V

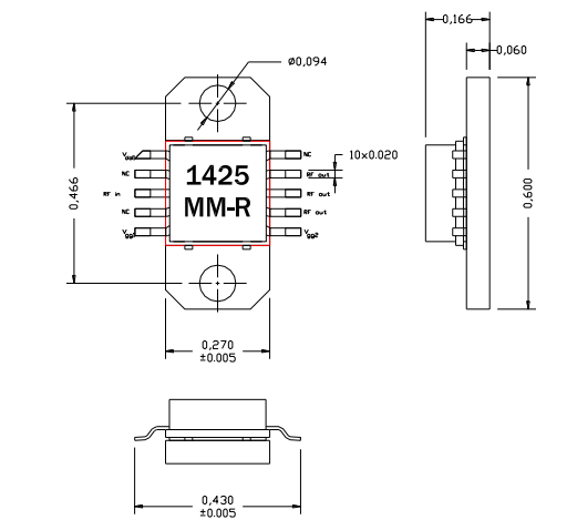
AM142540MM-EM-R是AMCOM廠家的MMIC熱效率變大器,該熱效率變大器是個二級MMIC功率放大器偏置在14V,輸入和級間匹配網絡掩蓋1.4~2.5GHz。MMIC輸出需要與1.4GHz至2.5GHz頻段進行部分外部匹配,以提供最大帶寬靈活性。輸出匹配可以設計為掩蓋1.4到2.5GHz頻段。該MMIC是一個陶瓷封裝,在較低的封裝層次上有射頻和直流引線,以便于低成本SMT組件到PC板。因為高直流功耗,咱們強烈建議將這些設備直接安裝在金屬散熱片上。使用領域為PCS基站、GPS使用、MMDS、無線局域網中繼器和14V使用等
AM142540MM-EM-R重點因素
頻點:1.4-1.8GHz
增加收益:25
P1dB(DBM):39
PSAT(DBM):40
錯誤率:35
VD(V):14
AMCOM是新西蘭大中型增加器電子器件機構,在世界高品牌知名度度雖不及ADI高端品牌,但也是前十強大中企業的,AM142540MM-EM-R拖動器與HMC618A增加器的頻次和用于鄰域想差無幾,需要說也是可代用性的兩種增加器,并且在費用上卻大不一模一樣,AMCOM公司產品極具價格優勢,質量高效可靠,深圳市立維創展科技是AMCOM與ADI工司的代里銷售商,提拱AMCOM與ADI的微波通信元配件和基帶芯片,誠邀質詢。