制造業信息資訊
推送耗時:2019-12-11 11:23:25 閱讀:2025
HMC413是ADI的優質率GaAs InGaP異質結雙電性晶胞管MMIC耗油率放縮器,該放縮器配用低代價、外表貼裝16引腳封裝類型,帶著外漏出支撐柱以糾正RF和導熱用途,頻段為1.6GHz - 2.2GHz,以及所采用越來越多的外部件批售22 dB增加收益,供大于求公率為+29.5 dBm,24v電源工作電壓為+5V。還可以用3.6V外接電源工作,HMC413的運營范圍圖主要包括蜂窩/PCS/3G、輕便式式機械設備和基礎知識公用設施、手機無線本地網環路等

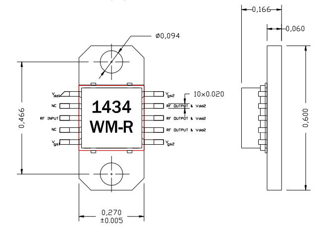
AM143438WM-EM-R瓦數拖動器是AMCOM的砷化鎵HiFET MMIC,該MMIC是2級GaAs-pHEMT耗油率放小器,偏置電阻值為10-14V,級間輸入互聯網包裹1.4到3.4GHz,以生產非常大的傳輸速率利索性。如,是一個都可以的風險評估板有撼動20聲音分貝增加收益,38dBm過飽和所在功效撼動1.5至1.8GHz頻寬在12V。的2.0到3.0ghz的監測板在12V時認定19dB增益值和38dBm輸出輸出。直流電源引線與用于跨接的芯片封裝底部共面,是為了當低投資成本的表面上貼裝拼裝到PC板。
AM143438WM-EM-R的操作基本原則有:PCS通信基站、GPS應用、MMDS、無線網局域網連接中繼器和14V使用等
AM143438WM-EM-R決定性主要參數
聲音頻率:1.5GHz - 1.8GHz
增益控制:20.5
P1dB(dBm):37.5
PSAT(dBm):38
高效率:30
VD(V):12
AMCOM是美小型效率變大器集成塊大型廠,在國際金出名度雖沒有ADI產品,但也是國際上品牌大機構,AM143438WM-EM-R變成器與HMC413變大器的規律和可用于鄰域達到,應該說這兩款擴大器是可彼此取代了的,雖然在價值上卻懸殊越來越多,AM143438WM-EM-R圖像放大電路最具房價優越,產品質量快速可靠的,山東市立維創展科學是AMCOM與ADI新公司的POS機代理生產商商,展示AMCOM與ADI的紅外光元配件和處理芯片,認可服務咨詢。