制造業介紹
頒布事件:2019-11-12 11:47:19 預覽:2072
AM009023WM-EM-R額定功率變大器是AMCOM機構的加寬帶砷化鎵MMIC,該變大器兼具2五分貝的高增益控制,從50MHz到9GHz頻段的23dBm輸出精度額定功率,噪聲系數為4.5分貝至4赫茲,如果與50歐姆匹配的輸入/輸出

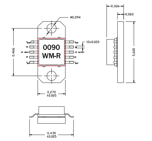
AM009023WM-EM-R工率放小器的封裝下方有帶微波射頻和直流變壓器引線,利于將高效益預算SMT制造到PC上。AM009023WM-EM-R極具直引線和銅/鎢法蘭片部代用銅法蘭片部,卡箍上帶兩螺孔,事先擰上重金屬散熱管器。復合RoHS,運用范疇分開是APP無線網電、多功能儀表、增益控制塊、低背景噪聲選用等
AM009023WM-EM-R必要主要參數
頻次:0.05-9GHz
增益值:21
P1dB(DBM):21
PSAT(DBM):23
利用率:20
VD(V):12
西安市立維創展社會是AMCOM工廠總微商代理,其基本微波加熱聯通寬帶類產品涉及rf射頻氯化鈉晶體管、MMIC瓦數變大器、混合物變大器模快電源、聯通寬帶變大器、高瓦數變大器模快電源、帶RF和DC接器的高熱效率變小器功能模塊和低噪音污染變小器,熱效率變小器,面板開關,衰減器,移相器或上/下方變頻器的定制開發。