XC1900A-03S低剖面,高性能3dB混合耦合器原裝庫存
2020-05-07 09:53:07
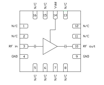
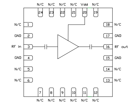
XC1900A-03S?是一種種低剖面,高能3dB混解耦器在1個新的非常易操作,制作業合理的表面能布置包。它是為DCS和PCS光波適用而設計制作的。XC1900A-03是專為穩定平衡點功效和低噪音風機污染縮放器,以及電磁波調整和其它的適用,低添加圖片消耗的資金和牢固的波動和相位穩定平衡點是一定要的。它快速可作于超過150瓦的大功效適用。元件經過了要嚴的認定測試軟件,并操作熱回縮指數(CTE)與比較常見基材(如FR4、G-10、RF-35、RO4350和聚酰亞胺)兼容的的材料制作業。快速可作于5/6錫鉛(XC19000 A-03P)和6/6錫水的壓強(XC19000 A-03S)滿足RoHS的飾面板。