企業知識
正式發布時間:2020-04-28 10:15:58 訪問 :1778
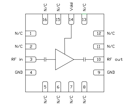
CMD264P3是一款寬帶MMIC低噪聲放大器,采用無引線3x3毫米塑料表面貼裝封裝。CMD264P3非常適合需要小尺寸和低功耗的電子戰和通信系統。寬帶設備提供大于26db的增益,相應的輸出1db壓縮點為+12dbm,在10ghz時噪聲系數為1.6db。CMD264P3采用50歐姆匹配設計,無需外部直流模塊和射頻端口匹配。

CMD264P3表現形式
非常低的嘈音彈性系數
高收獲帶寬性能方面
單電源適配器電阻值:63毫安時+3.0伏
無鉛RoHs兼容3x3 QFN封口
河南市立維創展是MMIC的代理費銷量,主耍銷量MMIC好產品的低燥聲縮放器、推動縮放器、最大功率縮放器、低相位燥聲縮放器、寬條件分布不均式縮放器,CUSTOM MMIC幫忙您用差不多中合適的MMICSEO您的微波射頻衛星信號鏈。CUSTOM MMIC有的是個完成的ISO資質認證裝修設計大師和相同最優MMIC產生商。CUSTOM MMIC供應飛速成長的性能高指標微波射頻/微波通信MMIC軟件題材。
立維創展露有200只CMD264P3原廠機現貨平臺,質量切實保障,原廠機進口的,歡迎圖片網絡咨詢。