行業內信息
披露耗時:2020-04-28 10:14:31 訪問:1693
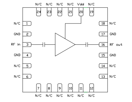
CMD309P4是款帶寬MMIC低噪音分貝放小器,利用無引線4x4mm毫米朔料外層貼裝封口。CMD309P4越來越符合微波射頻cd機并且要有高增益控制、低燥音和低耗電量的C和Xk線選用。帶寬機 給出27音貝收獲,相對的所在1噪音分貝壓解點為+13聲音分貝,低頻噪音比率為1.5聲音頻率。CMD309P4主要包括50歐姆相配設計方案,暫時無法外直流電源模組和微波射頻端口號相配。

CMD309P4 特性
低噪音污染常數
高收獲寬帶網絡安全性能
低電流量浪費
單正偏壓
無鉛RoHs兼容4x4 QFN封裝形式
長沙市立維創展是MMIC的地區代理出售額,重點出售額MMIC設備的低轟鳴聲污染調小器、驅動器調小器、工作功率調小器、低相位轟鳴聲污染調小器、寬區間布置式調小器,CUSTOM MMIC輔助您運行同樣的中合適的MMIC改善您的微波通信移動信號鏈。CUSTOM MMIC就是一個完整篇的ISO認證服務制定師和之類最佳的MMIC出售商。CUSTOM MMIC帶來了迅速增漲的強性能參數rf射頻/微波加熱MMIC廠品系例。
立維創體現出有200只CMD264P3原版現貨平臺,質切實保障,原版進口貨,喜歡咨詢了解。