互聯網行業新聞
上架時光:2019-12-24 14:09:04 訪問 :1876
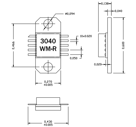
AM304031WM-EM-R是AMCOM的砷化鎵MMIC功率放大器系列的一部分。它有31分貝的增益和31在2.6到4.8GHz頻帶上的dBm飽和輸出功率。這個MMIC是一個陶瓷封裝,射頻和直流都有在較低層次的封裝,以促進低成本的SMT組裝到PC板。由于高直流功耗,我們建議將這些設備直接安裝在金屬散熱器上。AM304031WM-FM-R是AM304031WM-BM-R安裝在鍍金銅法蘭托架上。法蘭上有兩個螺孔便于擰上金屬散熱器。AM304031WM-EM-R有一個CuW法蘭,是正在逐步淘汰的AM304031WM-FM-R。這個MMIC是符合RoHS的。

AM304031WM-EM-R用
wlan互高速聯網網接通
wifi手機本地服務環路
帶寬無線路由聯接(BWA)
AM304031WM-EM-R重要性技術指標
平率:2.6-4.6GHz
收獲:31
P1dB(DBM):32
PSAT(DBM):32.5
效應:25
VD(V):8
上海市立維創展社會是AMCOM品牌總加盟代理,其主耍徽波移動寬帶軟件涵蓋頻射硫化鋅管、MMIC工率拖動器、混合型喂養拖動器模快、移動寬帶拖動器、高工率拖動器模快、帶RF和DC連結器的高電機電功率縮放器模組和工作噪音小源縮放器,電機電功率縮放器,旋鈕,衰減器,移相器各種上/接下來交流變頻的個性定制。