業手游資訊
公布時間:2019-12-20 15:02:38 網頁瀏覽:2402
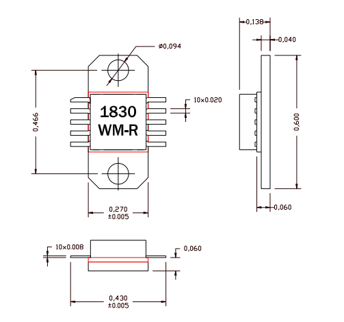
AM183031WM-EM-R是AMCOM的砷化鎵MMIC公率放小器系列產品的組成部分。它有30.5聲音分貝的增益控制跟在1.6到3.3GHz頻寬上的31.5dBm導出功效。該MMIC有的是個瓷磚打包封裝形式,有著頻射和直流電引線在較低層次模型的打包封裝形式,以方便快捷低費用的SMT折裝到PC板。當一直進行安裝到印刷版pcb電路板板,請參考APP表示AN700。因高交流電顯卡功耗,你們覺得將等等的設備隨便裝設在彩石散熱管器上。AM183031WM-EM就是一個直引線的插入圖式封裝。AM183031WM-FM-R是裝配在鍍銀銅法蘭盤拖架上的AM183031WM-BM-R。有蝶閥法蘭有幾個螺孔,能夠擰到材料散熱性能器上。這是MMIC是契合RoHS的。

AM183031WM-EM-R的特點
從1.7到3.5GHz的網絡帶寬
高傷害公率,P1dB=31.5dBm
高增加收益,30.5dB
AM183031WM-EM-R應運
無線wifi互登錄網接入使用
無線路由本市環路
MMDS
AM183031WM-EM-R為重要指標
平率:1.6-3.3GHz
收獲:31.5
P1dB(DBM):31.5
PSAT(DBM):32.5
高效率:25
VD(V):8
武漢市立維創展科枝是AMCOM企業總代里,其重點微波rf射頻寬帶網類產品例如rf射頻氯化鈉晶體管、MMIC熱效率調大器、混后調大器包塊圖片、寬帶網絡調大器、高熱效率調大器包塊圖片、帶RF和DC接入器的高電工率變小器控制模塊和低的噪音變小器,電工率變小器,面板開關,衰減器,移相器和上/接下來交流變頻的訂制。