C波段射頻晶體管S波段射頻晶體管AM025WN-BI-R
2018-10-31 15:42:33
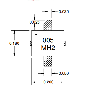
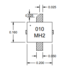
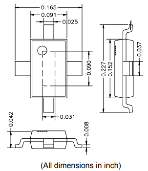
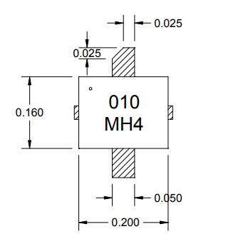
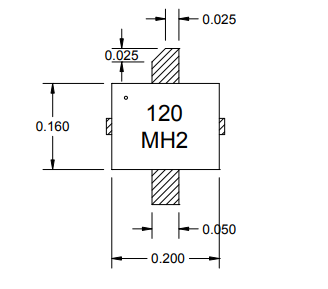
C頻譜微波rfrf射頻結尖晶石管S頻譜微波rfrf射頻結尖晶石管AM025WN-BI-R,就是一個離散的GaN/SiC HEMT,其總柵極厚度為2.5mm。它在瓷器圖片二極管二極管封裝形式中運作多達8 GHz。BI類型選用特種結構設計的瓷器圖片二極管二極管封裝形式,包括彎曲成(Bi-G)或直(BI)引線的進行安裝方試。二極管二極管封裝形式下面的卡箍時候當做電流一定的接地、微波rfrf射頻一定的接地和熱路。