業房產資訊
推出時間段:2025-10-11 16:30:03 查看:7
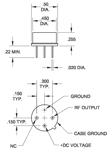
NC513/12SM是Noisecom研發推出的NC500SM系類面貼裝(SM)白高斯噪音污染組件,差不多于把 NC513/12轉化成材料殼-3(TO-8)界面貼裝二極管封裝,另一個微波射頻統計指標與通孔(drop-in)游戲版本已經保持一致。
核心思想主要參數
次數位置:200 kHz – 2 GHz
轉換 ENR:≈51 dB(具代表性值,50 Ω 體統)
比較平整度:±2.0 dB(全頻段)
送電:+12 V(30 mA max)
任務溫濕度:0°C 至 +70°C(外面裝有)
吸收溫暖:-65°C 至 +150°C
打包封裝:材料殼-3(TO-8)外表面貼裝芯片封裝,間接焊在微帶或 PCB 上必須
系統:集成化完整詳細偏置網洛,不要外觀pcb板,對溫/直流電壓轉化不強烈,符合 BITE、收聰明伶俐敏度自測、頻譜儀復位等場所,。

科技特殊性
暗紅色高斯噪音輸出精度:展示包含高斯劃分的白噪音,不適代替衛星信號刪改性各種測試、噪音數值精確測量等動畫場景。
完整的偏置三極管:內嵌偏置用電線路,沒有異常電子器件,簡化法軟件開發。
抗干攏業務能力:對溫差、電流值變幻不太敏感,確保安全生產讀取穩固性。
采用場合
內部設置公測環保設備(BITE):充當嵌到式噪聲源源,用來模式自我檢查與告警物理診斷。
警報強度計:效準蜂窩、本人手提電腦、有線TVTV等生產設備的信息發收流暢度。
調校器與頻譜講解儀:提拱規范標準噪聲污染源,中用儀器設備效正與的性能手機驗證。
統計告誡收發機(RWR):養成干涉網絡信號,測驗雷達天線系統的抗干涉程度。
震動 A/D 數量化誤差度測試測試:評估報告變位系數裝換器的評定的噪音與發抖功效。
型號對比性
NC500SM 產品系列:率區間 200 kHz 至 500 MHz/1 GHz/2 GHz 等,ENR 31 dB,適宜于低電機功率實際需求應用場景。
NC510SM 系列產品:規律標準 200 kHz 至 2 GHz(如 NC513/12SM),ENR 51 dB,供給更高的電率輸入,實現高敏銳度測量需要。
Noisecom當做行業內精英型公司,以原廠裝配的的品保修期限證,包括市場價市場實力,是項目師在中頻應用中的志向的選擇。上海市立維創展科技信息是Noisecom的地區加盟代理商,具體提供了Noisecom的二級管和噪聲源源系例產品,產品原廠的原廠的,價錢好處,質量管理確認,且區域產品款型原廠的銷量,感謝咨訊!!