AM07512041WN-SN-R/AM07512041WN-00-R功率放大器芯片 代理現貨
2019-02-20 14:36:54
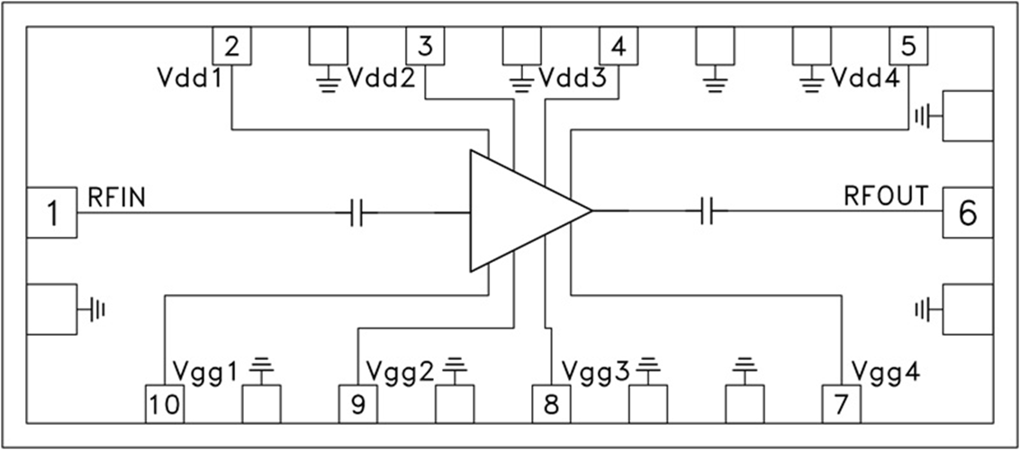
AMCOM我司的AM07512041WN-SN-R/AM07512041WN-00-R基帶芯片就是款移動寬帶氮化鎵MMIC工作電壓變大器。它在8.25至11.75GHz頻段兼備28dB的增加收益和42dBm的轉換工作電壓。AM7512041WN-SN-R應用陶瓷制品封裝形式,暗含法蘭片和直頻射和電流引線,中用嵌入式按裝。它的增加收益為27db,轉換工作電壓為41dbm,在8.25至11.75GHz頻段。