HMC-AUH256通訊衛星通信網英語四級驅程縮放器 ADI外盤
更新時期:2019-02-20 15:38:45 網頁瀏覽:1815
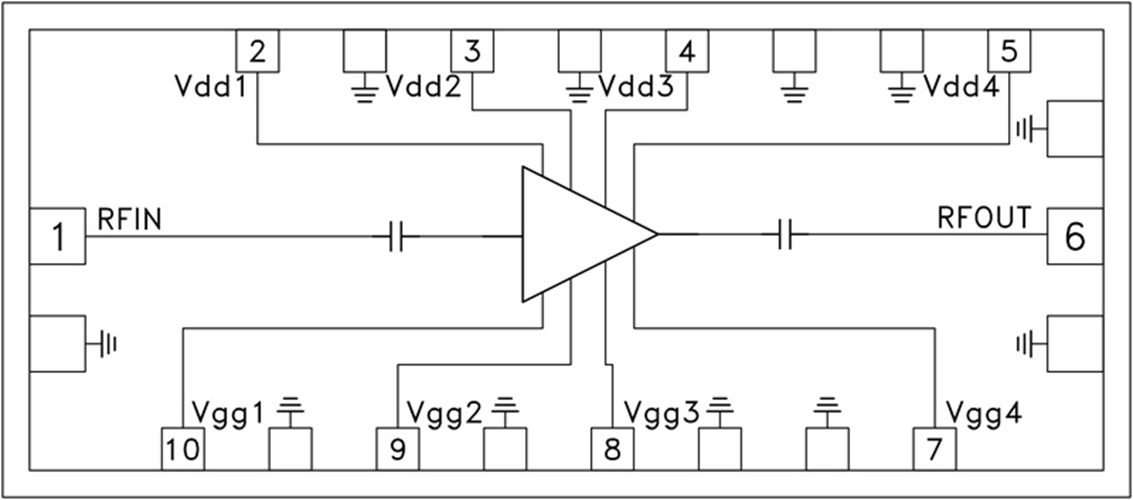
HMC-AUH256也是款GaAs MMIC HEMT四六級驅動下載變成器,做任務任務頻率超范圍17.5至41 GHz。 基于規格較小(1.93 mm2),該IC處理芯片可輕松愉快集成化到多IC處理芯片控制模塊(MCM)中。 HMC-AUH256在1 dB壓縮的點提供數據21 dB的增加收益和+20 dBm的傷害額定功率,操作+5V的偏置電源適配器(295 mA)。 HMC-AUH256還能用作倍頻器。 控制倍頻器做任務的完整偏置具體條件。
|
品牌
|
型號
|
貨期
|
庫存
|
|
ADI
|
HMC-AUH256
|
1周
|
100
|
倘若您需要定購HMC-AUH256,請單擊一側售后客服建立關于我們公司!!!
利用
優勢和特點
-
增益: 21 dB
-
P1dB輸出功率: +20 dBm
-
寬帶性能:
17.5至41 GHz
-
電源電壓:
+5V (295 mA)
-
小尺寸芯片:
2.1 x 0.92 x 0.1 mm
示意圖
