行業領域手游資訊
推送時候:2025-08-28 15:04:32 閱讀:22
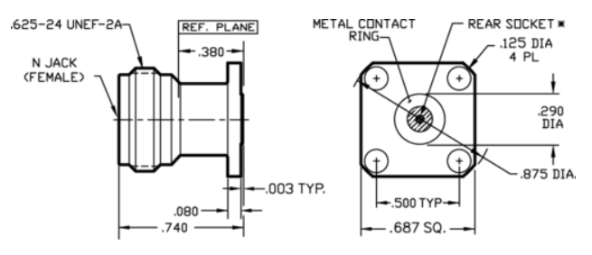
312-04SF是SOUTHWEST西北微波射頻(Southwest Microwave)精密五金級 N 型母頭法蘭盤裝有聯接器,可使用在 DC–18 GHz 移動寬帶場地。設備殼不銹鋼管電渡金防污,中間導體鈹銅電渡金,認可 0.085" 半剛/柔電纜電線。全頻段 VSWR ≤1.25:1,插損 <0.1dB(10GHz),瓦數 200W,工作溫度 -55°C 至 +165°C,500 次插拔穩定的,可以選擇密封封裝類型,貼合軍標及航空工程申請認證,支持于航空工程、相控陣外置天線等高可信度研究方向。
性能叁數叁數:
? 平率:DC–18 GHz
? 法蘭盤:0.687" 方 4 孔不變
? 接受了中心點針外徑:0.036"
? VSWR:1.15:1(其最典型的值)
? 室內溫度:-55 °C ~ +165 °C
? 必選密封性封裝形式,貼合 MIL-STD-348 接頭的標準
電器設備效能:
交流電壓駐波比(VSWR):直式 ≤1.15(6 GHz 時),彎式 ≤1.25(6 GHz 時)。
讀取耗損率:≤0.24 dB(6 GHz 時)。
耐直流電壓:2500 V rms;本職工作電阻值:1000 V rms。
排斥電阻值:中央排斥電阻器 ≤1 mΩ,外導體內阻 ≤1 mΩ。
絕緣電阻測試器電阻器:≥5000 MΩ。
廠家耐磨性:
耦合電路玩法:5/8-24 內螺紋連入,要確保振蕩環境下的相對穩相關性。
長期保持力:≥6 lbs(基地導體)。
機戒人類壽命:≥500 次插拔(的使用鈹銅玩件時)。

情況適應環境性:
耐腐燭性:完全符合 MIL-STD-202 Method 101 標準的。
震動:MIL-STD-202 Method 204 公測用。
組成與裝修材料
的外殼運用鋼和 CRES 合金材料 UNS S30300,大電流繼電器采取鈹銅 (BeCu) UNS C17300。
介電村料為純 PTFE 氟碳的材料,服務中心遇到阻止選用溫度過高 Ultem 1000。
要素:紅銅鍍鎳,從表面整理耐腐性。
中心點針:銅質鍍銀,確保安全生產低接觸性電阻器與反復插拔比較穩判定。
接地體:聚四氟乙稀(PTFE)或聚裝修甲醛(POM),低不足、耐腐蝕天氣。
法蘭盤盤:4 孔正方形設計構思,孔距 0.531",適用標準規范 0.750" 方腔或加印板。
接口方式與性能:
接入器界面復合 MIL-STD-348 標淮,更具凹下去鋁合金與地面環,實現目標 360° 五金與五金接觸到。
可與另一個合乎 MIL-STD-348 的標準的微波加熱器件兼容。
應用領域不一樣
通信網絡系統:
無線、移動信號塔、技能/積極通信基站構件。
播報手機、WIFI 微信網絡、產品對產品無線通信。
工業的領域:
統計機 、微波射頻消融治愈儀。
檢驗夾具設計、高馬力微波射頻模塊電源。
民用航空航空動力:
遙感衛星網絡通訊、相控陣全向天線模式。
提供 NASA/ESA 釋氣資質認證條件。
有關系型號查詢:
312-01SF、312-02SF、312-03SF 等,用戶賬戶可基于具有業務需求會選擇適宜的形號。
成都 市立維創展科技開發開發SOUTHWEST江南徽波大組成部分款式具備數據現貨平臺類產品,并積極配合具備數據技巧可以支持與售服服務管理,青睞了解。