制造業介紹
發表時間:2024-05-29 08:47:00 瀏覽網頁:803

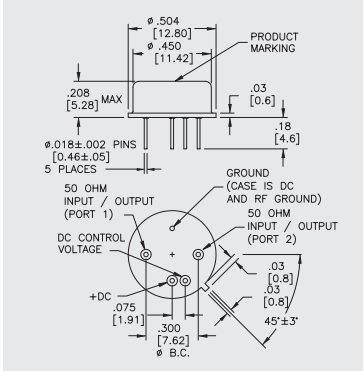
AGC1025是一款高性能薄膜壓控放大器,采用標準尺寸TO-8封裝。其主要特點包括:
- 高增益值:21.5 dB - 自主增加收益把控(AGC)區間:0至5伏,相匹配的增加收益把控區間為+25.0 dB - 工作上概率領域:5至1100 MHz,確保參考值10至1000 MHz - 增益控制平整度:±0.5 dB至±1.0 dB - AGC范圍圖:25 dB至20 dB - 背景噪聲指數:5.2 dB至6.5 dB - 駐波比(SWR):低于2.0:1 - 模擬輸出耗油率(@1 dB收獲進行壓縮):+9.0 dBm至+7.0 dBm - 加載時間段:不大于10 μsec - 較大 交流電交流電:50 mA至60 mA(做工作交流電),0至10 mA(偏置交流電) 互特能力管理方面,AGC1025享有很好的二階和三階過濾點。絕對最大程度特殊值包涵永久保存室內溫度表、結構件室內溫度表、交流電相電壓值、頻射復制粘貼馬力等。二極管封裝訊息為標準單位的尺寸TO-8。施用時應目光,該圖像放大器電路應在50歐姆系統的下運轉,并在+15 Vdc送電相電壓值下才能能達到綜上所述能力。一些訊息能有效的電子為了滿足電子時代發展的需求,建設技術員在構思和應用領域中正規施用AGC1025。廣州市立維創展技術是Teledyne防務電子廠的經銷商,可以提供Teledyne防務電子設備區域LDMOS、GaN、GaAs和InP。Teledyne防務電子設備產品設備線適用寬頻段、窄帶、脈寬擴大器,頻點1MHz~220GHz,電功率mW~10kW,特點分銷渠道出示Teledyne防務自動化進貨,祝賀了解和咨詢。