行業內內容
推送時:2019-02-26 11:28:34 搜素:1708
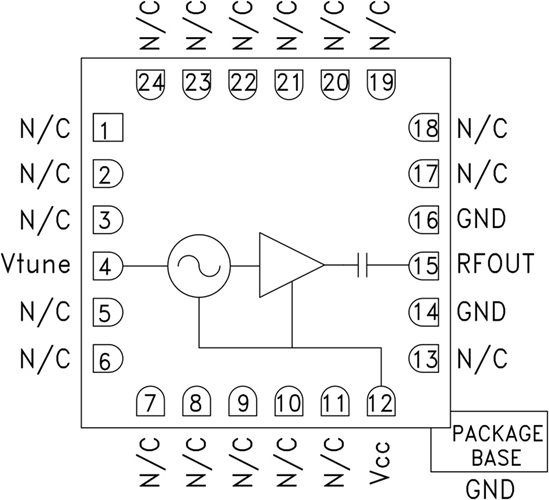
HMC587LC4B是一款寬帶GaAs InGaP電壓控制振蕩器,集成了諧振器、負電阻器件、變容二極管。 由于振蕩器的單芯片結構,其輸出功率和相位噪聲性能在不同的溫度下始終非常出色。 Vtune端口接受0至+18V的模擬調諧電壓。 HMC587LC4B VCO采用+5V單電源供電,功耗僅55 mA,提供符合RoHS標準的SMT封裝。 這款寬帶VCO集超小尺寸、低相位噪聲、低功耗和寬調諧范圍等特性于一體,構成獨特的特性組合。
| 品牌 | 型號 | 貨期 | 庫存 |
| ADI | HMC587LC4B | 1周 | 100 |
應用
優勢和特征
示意圖

深圳市立維創展科技代理銷售ADI現貨產品,致力于為廣大客戶提供低價格、高質量、有保障的產品,提供優質的售前與售后服務技術。如您有任何產品需求以及服務請聯系我們客服人員,我們會再第一時間內為您解決問題。