HMC468ALP3E移動寬帶3位GaAs IC數值衰減器 現貨平臺
發部日子:2019-02-26 14:04:23 查詢:1626
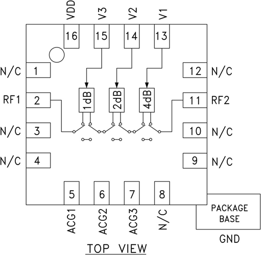
HMC468ALP3E有的是款聯通寬帶3位GaAs IC大數字衰減器,的選擇低利潤無引腳表明貼裝打包封裝。 在DC到6.0 GHz頻繁下工作任務,插入圖不足底于1 dB一般值,最快完成4 GHz。 衰減器位參考值1 (LSB)、2和4 dB,總衰減為7 dB。 衰減可靠性強,精密度尤其高,一般步長不確定度為±0.4 dB,IIP3為+55 dBm。 五個把控相電壓鍵入在0和+5V范圍內添加,使用于的選擇每種衰減模式。 須要+5V的1個Vdd偏置。
|
品牌
|
型號
|
貨期
|
庫存
|
|
ADI
|
HMC468ALP3E
|
1周
|
120
|
如若您需要購買HMC468ALP3E,請點擊右側客服聯系我們!!!
用
-
蜂窩;UMTS/3G基礎設施
-
固定無線和WLL
-
微波無線電和VSAT
的優勢和功能
-
1 dB LSB步進至7 dB
-
高IP3: +55 dBm
-
誤碼率:±0.25 dB(典型值)
-
每位單個控制線路
-
+5V單電源
-
3x3 mm SMT封裝
提示圖

深圳市立維創展科技代理銷售ADI現貨產品,致力于為廣大客戶提供低價格、高質量、有保障的產品,提供優質的售前與售后服務技術。如您有任何產品需求以及服務請聯系我們客服人員,我們會再第一時間內為您解決問題。