?SemiGen零偏置肖特基檢波二極管
2023-08-11 16:55:46
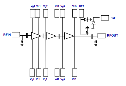
SemiGen? SZB900系例零偏置肖特基驗測器電子元器件大家庭中的一員-電子元器件大家庭中的一員-肖特基二極管裝修設計適合于短短視頻驗測器和額定功率優化跟蹤器,不需向電子元器件大家庭中的一員-電子元器件大家庭中的一員-肖特基二極管作為外物偏置交流電。SemiGen零偏置肖特基檢波電子元器件大家庭中的一員-電子元器件大家庭中的一員-肖特基二極管拘束輕金屬面料和營造加工制作工藝 使用作為年輕化的短短視頻屬性抗阻使用。