的行業咨詢
推出時刻:2023-08-23 17:03:47 瀏覽記錄:817
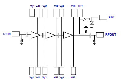
UMS的CHA6551-99F是款3級單面GaAs高效率調大器,可能產生1.6w的輸送公率。
CHA6551-99F應有較高線性網絡度,可變現增加收益的控制,并集合化輸出的檢測儀。以及ESD守護。CHA6551-99F專業專注于具有廣泛性應用所需設計構思:發展空間、攻沙和汽車行業移動通訊軟件系統。
CHA6551-99F所用pHEMT新工藝高技術,柵極盡寸為0.15μm。

關鍵特征英文
移動寬帶特性:17-24GHz
32dbm供大于求耗油率
39dbmOIP3
22db增益控制值
直流電源電偏置的電壓:Vd=4.0伏,Id=880MA
封裝類型尺寸大小3.60x3.46x0.07mm
UMS微波射頻作為一個德公分波集成塊的表示的品牌,在德和瑞士設備有領域產業園。UMS在亞洲地區規模內高端品牌應用軟件股票市場分配權難以替代品的社會地位。UMS給出通過ASIC或名錄貨品的合理市場價,包括依托于集團組織結構的III-V技術應用,并給出局面的補充協議服務,使老客戶會同時新創建他的廠品防止方式。從交流電電到100GHz的UMS索引廠品均根據GaAs、Gan、SiGe的技術,具有達到了200W的工率擴大器、混合著走勢技能、超底噪聲源擴大器和齊全的收發員器體系。UMS成品以摸具主要表現形式給出,但通常情況以多心片功能的主要表現形式封裝。
長沙市立維創展科技比較有限品牌比較有限品牌是UMS的代理權商,專科為無線路由通信網絡建設工程、航天工程移動通信基站、國家安全、車、ism等行業內能提供高安全性性頻射微波加熱厘米波元器及一體化線路。UMS物品用于QFN和摸具再生,發工期短,收費其優勢個性。立維創展存在很多形號UMS產品庫存盤點。的歡迎咨詢中心。
具體詳情了解一下UMS請雙擊://www.myloveidc.com/brand/36.html