Ka中波段驅程放縮器HMC-AUH256/HMC-AUH256-SX ADI現貨平臺代里
正式發布時:2018-12-03 11:18:50 搜索:2134
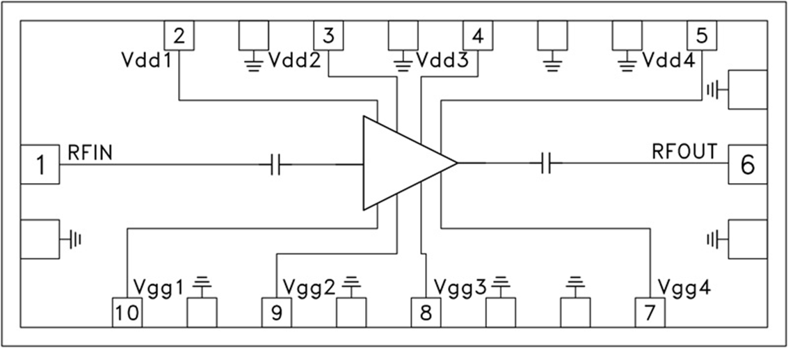
HMC-AUH256有的是款Ka頻譜GaAs MMIC HEMT4級動力增加器,上班次數範圍17.5至41 GHz。 致使大小較小(1.93 mm2),該IC存儲芯片可簡單集成式到多IC存儲芯片功能(MCM)中。 HMC-AUH256在1 dB減小點可以提供21 dB的增加收益和+20 dBm的運行輸出功效,運用+5V的偏置24v電源(295 mA)。 HMC-AUH256還該用作倍頻器。 保證 倍頻器上班的簡單偏置先決條件。
|
品牌
|
型號
|
貨期
|
庫存
|
|
ADI
|
HMC-AUH256
HMC-AUH256-SX
|
1周
|
200
|
|
如若您需要購買HMC-AUH256/HMC-AUH256-SX,請點擊右側客服聯系我們!!!
|
適用
優勢和特點
-
增益: 21 dB
-
P1dB輸出功率: +20 dBm
-
寬帶性能:
17.5至41 GHz
-
電源電壓:
+5V (295 mA)
-
小尺寸芯片:
2.1 x 0.92 x 0.1 mm
設備構造圖
