市場資迅
公布的用時:2024-10-31 17:21:25 訪問:577
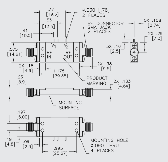
A2CP11039頻射圖像放大器電路是一種款依托于Teledyne防務電子無線生孩子營造的高能增加器,必備條件高至12 dB的收獲超范圍和4dB低相位噪聲源,頻段空間從5.0-10.0 GHz。A2CP11039rf射頻拖動器用做通訊網程序化、機載汽車雷達和電子廠戰程序化等需精密五金收獲的控制和便捷整理的廣泛應用。

參數表
超高頻:5.0-10.0 GHz
高收獲:12.0dB
低相位燥音:4.0dB
高性價比指標透氣膜
高電機功率二級CougarPak?
互調式能
主要表現@25°C A2CP11039
二階諧波切斷點+63 dBm
二階雙音攔截點+57 dBm
三階雙音截留點42 dBm
相對非常高功率值
存放體溫-65至+150℃
最高的殼體工作溫度+125℃
最快直流電電阻+14伏
很高連續不斷rf射頻鍵盤輸入瓦數+20 dBm
燒高溫:125℃
熱導率1(θjc):4.5°C/W
結表面溫度超過(Tjc):88.4℃
上海市立維創展科持是Teledyne防務電子的供應商商,提拱Teledyne防務光學車輛適用于LDMOS、GaN、GaAs和InP。Teledyne防務電子元器件好產品使用寬頻帶寬度段、窄帶、電脈沖圖像運放電路,頻帶寬度1MHz~220GHz,電率mW~10kW,優點校園營銷渠道給予Teledyne防務電子廠訂購,熱情接待咨訊。