的行業知識
發布消息時間間隔:2024-08-07 08:58:58 查詢:780

EPD-4L-SF功分器是由ELECTRO-PHOTONICS公司生產的一款高性能、寬頻帶的4路功率分配器/組合器。該產品的主要特點和規格如下:
主要特點
方向盤性: 0° 的頻率的范圍: 4.0 GHz到8 GHz 較大轉換耗油率: 30W 高效能: 展示 低進到這一領域損耗費、高隔離開度、低駐波比(VSWR)和出色的漲幅及相位穩定平衡。 寬敞尺寸規格: 構思寬敞,有利于在比較有限的環境內安轉和操作。性能規格
| PARAMETER | SPECIFICATION |
| FREQUENCY RANGE | 4.0-8 GHz |
| EXCESS INSERTIONLOSS* | 0.8dB |
| ISOLATION | 18 dB |
| VSWR | 1.3 |
| AMPLITUDE BALANCE | ±0.3 dB |
| PHASE BALANCE | ±3° |
| POWER HANDLING | Forward:30W |
| Reverse:1W |
應用領域
機械規格
| PARAMETER | SPECIFICATION |
| MATING INTERFACE | SMA(F) |
| OPERATINGTEMP | -55 TO+85℃ |
| NON-OPERATINGTEMP | -55 TO+100 ℃ |
| MATERIAL/FINISH | Aluminum with black epoxy |
| resin paint |
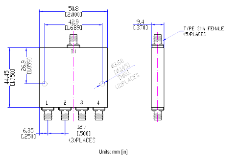
尺寸圖:

ELECTRO-PHOTONICS享用25年的普通攻擊微波射頻開關元件設計的與加工制造的經驗,新新產品涉及混合型和定向招生解耦器、功分器、濾波器、試驗板、隔離防曬器、橢圓形器等新新產品。
上海市立維創展科枝有限制的品牌代理商電商分銷Electro-Photonics的產品。要是要有Electro-Photonics徽波,受歡迎點擊事件左邊博主練習自己!!!