業信息資訊
分享時候:2024-08-05 08:43:30 瀏覽器:733

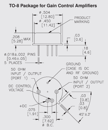
AGC525 TO-8增益控制放大器是由Teledyne防務智能電子生產的一款高性能產品。以下是該產品的詳細介紹:
基本參數
機型:AGC525 二極管二極管封裝:TO-8標準化寬度二極管二極管封裝,選使用于增益值把控放小器 增加收益:典型的數值25.5dB,輕柔的數值24.0dB至24.5dB 增益值平滑度:極大±0.8dB 燥音彈性系數:上限5.0dB,成績出眾 駐波比(SWR):填寫內容輸出網口均乘以2.0:1控制特性
控制條件:0到+5V AGC比率:不大30dB,表現出寬比率的把握能力素質 回復時間段:全AGC下大于10微秒,添加加速率快電氣特性
| Parameter | Typical | 0 to 50℃ | 55 to+85℃ |
| Frequency (Min.) | 10-600 MHz | 10-500 MHz | 10-500 MHz |
| Gain (Min.) Vo=0 | 25.5 dB | 24.5 dB | 24.0 dB |
| Gain Flatness(Max.) | ±0.5 dB | ±0.7 dB | ±0.8 dB |
| AGC Range(Min. | 30 dB | 26 dB | |
| Noise Figure (Max.) | 5.0 dB | 6.0 dB | 6.5 dB |
| SWR (Max.) Input/Output | <1.6:1 | 2.0:1 | 2.0:1 |
| Power Output (Min.) @1dB comp | +11.0 dBm | +10.0 dBm | +9.5 dBm |
| Response Time Full AGC | <10 μsec | ||
| DC Current(Max.) Bias | 45 mA | 48 mA | 51 mA |
| DC Current(Max.) Vo | 0 to 10 mA |
成都市立維創展科技發展是Teledyne防務電子廠的代理商商,打造Teledyne防務電子技術物料分為LDMOS、GaN、GaAs和InP。Teledyne防務電子廠設備線蘋果支持寬頻寬、窄帶、智能變成器,頻帶寬度1MHz~220GHz,公率mW~10kW,優勢可言流通渠道給予Teledyne防務光電子備貨,青睞咨詢公司。