相關行業最新資訊
發布新聞事件:2024-07-23 08:34:15 瀏覽器:780
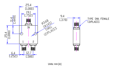
EPD-2L-SF是ELECTRO-PHOTONICS公司生產的一款寬帶2路(0°)功率分配器/合路器,適用于4.0至8.0 GHz頻段,在小型封裝中提供卓越的性能。該功率分配器的突出特點包括低插入損耗、小型尺寸以及高隔離度,適用于電子戰、雷達、測試和測量等領域。

特點及應用
- 4到8GHz工作頻率范圍之內內的同相額定功率分配權 - 省油的suv定制 - 低插入表格消耗的資金 - 應廣泛用于光電戰、汽車雷達、軟件測試和檢測的電氣特性
頻繁 依據: 4.0 – 8 GHz 復制到損耗率: 最高0.5 dB (Excess IL = Common Port to Output Port IL ) - 3dB) 丟開度: 最大20 dB 駐波比 (VSWR): 1.25 小幅度平橫: ± 0.2 dB 相位穩定性: ± 2° 工作功率工作功能: 正在向30 W,交叉1 W機械特性
連結插孔: SMA (F) 辦公溫差: -55°C 至 +85°C 非運轉高溫: -55°C 至 +100°C 涂料/納米涂層: 鉿合金結構的并涂有青色環氧漆丙烯酸酯乳液漆
ELECTRO-PHOTONICS都有25年的坐以rf射頻pcb板的設計與加工心得,車輛包函混合型喂養和專向解耦器、功分器、濾波器、測試方法板、屏蔽器、圓形器等車輛。
珠海市立維創展社會不足我司代理費分銷模式Electro-Photonics商品。若是必須要Electro-Photonics微波加熱,歡迎語彈窗右面客戶服務中心連續他們!!!