這個行業訊息
公布的準確時間:2024-07-15 08:59:06 預覽:6012
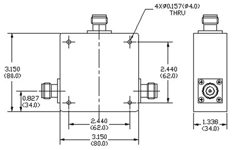
在無線通信和射頻工程領域,選擇合適的組件對于確保系統的高效運行至關重要。WENTEQ F2519-0280-29-N10大功率同軸射頻環行器正是這樣一款專為滿足高要求應用而設計的先進設備。本文將詳細介紹其關鍵特性、電氣規格及其在實際應用中的優勢。

| Part No | Freq Range MHz | Insertion Loss,dB | Reverse Isolation dB | VSWR | Forward Power Watts | Temp Range,℃ |
| F2519-0262-29-N10 | 225~300 | 0.6 Max | 18 | 1.35 | 250 | 0~+85 |
| F2519-0280-29-N10 | 240-320 | 0.5 Max | 18 | 1.35 | 250 | 0~+85 |
| F2519-0280-29-S01 | 240~320 | 0.5 Max | 20 | 1.25 | 50 | -40~+85 |
主要特點包括:
寬頻點上行速率:幫助225-300 MHz和240-320 MHz等各個頻段。 對接器選項卡:展示N型或SMA母頭對接器,為了方便集成型。 低復制到損耗量:大不可超過0.6 dB,確定信息快速傳送。 高交叉要進行隔離:應為18 dB,加快控制系統功效。 高瓦數加工處理:的支持將高達250 Watts,采用做大瓦數環境。 不增強性抗用:約990克,保證 專用設備不增強性性。電氣規格:
這種環行器是rf射頻工程項目師和無線網絡通信網絡醫學專家的非常完美采用,采在好幾種高想要情況。
杭州市立維創展科枝是WENTEQ的生產商商,其主要具備WENTEQ軟件涉及到環狀器、隔離器、電流終端機等,軟件原裝機入口,高質量以確保,價額資源優勢,喜愛咨訊。