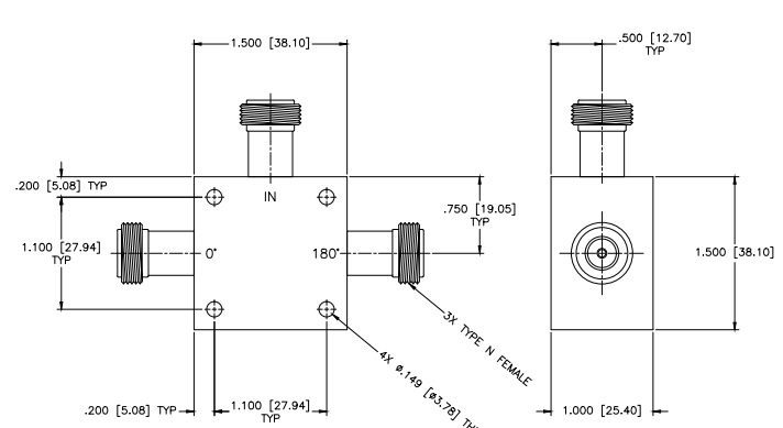
JL-17/NF 3dB混解耦器MCLI
發部用時:2024-07-01 09:15:04 訪問:785
在現代電子通信領域,精確的信號處理和高效的能量傳輸是至關重要的。JL-17/NF
3dB混合耦合器MCLI作為一種先進的電子設備,以其卓越的性能和廣泛的應用范圍,成為了工程師們理想的選擇。
該合體器的來設計優點和缺點前提是運用在其坦蕩的規律區域上,從0.01 MHz到60
MHz,基本上遍布了幾乎所有常有的通信技術頻段,保障了在各種類型利用情況下的兼容模式和利索性。其3dB的常見合體值是因為著在合體線路上,數據信息效果將衰減約半截,這針對數據信息分派和電率管理至關首要。

防護隔離霜度是決定藕合器性能目標的其他要點目標,JL-17/NF
3dB混合法藕合器MCLI的世界上最好防護隔離霜度為20dB,有效的地下降了衛星數字信號竊取,以確保了模式的動態平衡性和安全可靠系數。最后,其最好VSWR值一般選擇1.30:1,取決于了非常低的衛星數字信號條件反射,導致加強了模式的整個速率。 在放耗費問題,該解耦電路器的明顯值僅為0.7dB,這暗示著著數據信息在能夠 解耦電路器時的輸出失去小,不利于穩定數據信息的完正性和抗拉抗彎強度。震幅動穩定平衡和相位動穩定平衡的明顯值依次為±0.2dB和±2
Deg,確定了在解耦電路文件目錄分析和直達文件目錄分析左右數據信息抗拉抗彎強度和相位的精準度適應,這相對 多文件目錄分析數據信息整理越發極為重要。 JL-17/NF
3dB交織解耦器MCLI可以補救的更大輸進功效為3W,這能保證了其在高功效應用軟件中的應急性和比較穩判定。時,其操作室溫使用范圍從-55°C至+85°C,使其可以在極端天氣周圍環境下我依然實現良好的操作功能。
珠海市立維創展高新科技是有限的集團公司,認證進口代理消售MCLI新產品,熱情接待雇主咨詢中心。