服務行業知識
上架日子:2024-06-28 08:59:54 瀏覽訪問:6082

PULSAR倍頻器FX-04-410是一款高性能的電子設備,專為需要精確頻率轉換的應用而設計。以下是該產品的詳細介紹:
貨產品簡稱: Pulsar倍頻器FX-04-410頻率范圍:
導入頻帶寬度: 75-1500 MHz 輸出速度: 150-3000 MHz 插入電功率標稱值: +10.0 dBm轉換損耗:
在F2頻繁 下: 12.0 dB最明顯 在F4頻繁下: 20.0 dB先進典型雜散信號抑制:
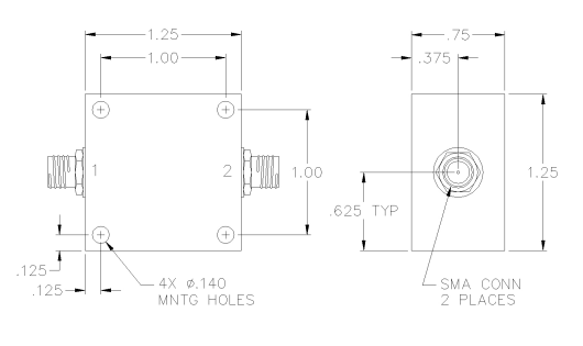
F1: 20 dBc F3: 20 dBc 封裝類別類別: SMA連接器類型:
標準調試: SMA female 可以增加: BNC, TNC, F, 和 N connectors 設置/傷害串口: 放入串口: 1 輸出電壓端口處: 2 跨接線手段: 塑料外殼跨接線 形壯寸尺: 1.25" x 1.25" x 0.75"
雜散信號抑制性能表明,該設備能夠有效抑制不需要的頻率成分,確保輸出信號的純凈度。SMA連接器是標準配置,但也提供其他類型的連接器選項,以適應不同的應用需求。珠海市立維創展科技產業授權書POS機代理業務員PULSAR微波加熱車輛,并帶來售服蘋果支持貼心服務,熱烈歡迎詢問。