的行業咨訊
公布時間間隔:2024-06-26 08:54:21 查詢:803
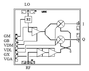
CHR2295-99F是UMS紅外光一款高性能的GaAs單片微波集成電路(IC),專為商業通信系統中的下變頻應用而設計。該芯片集成了多種功能,包括LO(本地振蕩器)時間雙倍頻器、平衡冷FET混頻器和RF低噪聲放大器(LNA),使其能夠有效地將LO信號轉換為RF信號。

該芯片的主要特點包括:
- 寬帶網絡耐磨性:RF網絡帶寬起步為24-30 GHz,LO網絡帶寬起步為12-15 GHz。 - 切換增加收益:rf射頻增加收益(Conversion Gain)在11至15 dB相互間。 - 中頻噪音公式:3.5 dB,常使用中頻段>0.1 GHz。 - LO手機輸入公率:比較大指標值-10 dBm,比較大指標值10 dBm。 - RF復制粘貼熱效率:在1 dB增加收益壓縮的點時為-10 dBm。 - 低直流變壓器效率需求量:120 mA @ 3.5 V。 - 集成電路芯片尺寸:2.49 x 1.97 x 0.10 mm。 CHR2295-99F進行pHEMT工藝設備研發,含有0.25μm的柵長,并可以通過的基板孔、氣氛橋和電商束柵神行者刻技巧實現目標高的精密度和靠得住性。基帶芯片的正背方案為微波射頻和直流變壓器接地控制系統,簡化版了裝配圖流程,不斷提高了控制系統的靠得住性和性能方面。成都 市立維創展科技開發有限制司授權經銷UMS微波,針對部分型號的UMS產品提供優質的現貨產品庫存,歡迎咨詢。