17500-4015S SSBP多同軸Micro-D電線插頭線長絕緣帶子SOUTHWEST
上線的時間:2024-06-04 08:56:02 訪問:895
型號17500-4015S SSBP多同軸Micro-D電纜插頭長絕緣子是由SOUTHWEST華北徽波制造的一款高性能連接器組件。該插頭專為Micro-D連接器系統設計,適用于高密度、多通道的應用場景,尤其是在對頻率、帶寬和信號損耗有嚴格要求的通信環境中表現出色。

素材和外層操作角度,該電源線插頭線的殼子應用在鋁合金屬型材屬6061素材,并根據ASTM B221規格展開手工加工,外層經由無電解拋光鎳鍍后操作,貼合ASTM
B733-90規格,以延長耐浸蝕性和實用性。絕緣性電阻子應用在ULTEM 1000素材,貼合ASTM
D5205規格,極具良好的組合件絕緣性電阻穩定性和耐耐超高溫穩定性。解鎖夾應用在BeCu合金屬屬(UNS-C17200),根據ASTM
B194規格制造技術,事關電源線插頭線與插座開關的勞固聯接。補充化學物質為不飽和樹脂不飽和樹脂,應用在保養的內部組成和延長大體穩定性。裝硬件設施應用在不銹鋼304素材,貼合SAE-AMS-QQ-S-763規格,外層展開鈍化操作,貼合ASTM
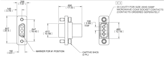
A967規格,以開展抗浸蝕性能。 該充電插頭的特殊性分為這幾個同軸插孔,專為SSBP(Shielded Single Bayonet
Plug)來設計,任何SSBP和數據表現接線柱幾乎都是可復制表格和可移除的,用于保護和換新,選用規則M81969/39-01復制表格/撥掉工貝就可以使用。墻壁插板接線柱與MIL-C-39029/64規則的數據表現墻壁插板接線柱兼容,有效確保了優異的相互交換性和兼容性設置。長寬比和的視角廠家分別是為屏幕長度和度數,括號內的長寬比以毫米(mm)為廠家,便宜玩家各不相同各不相同實際需求進行選擇和組裝。

河南市立維創展科枝開發SOUTHWEST東南微波通信大部門規格型號提拱現貨平臺的產品,并授權委托提拱技藝蘋果支持與售服產品。
內容分析SOUTHWEST西南地區微波通信請鼠標單擊://www.myloveidc.com/brand/7.html