的行業信息資訊
發布新聞時間段:2024-05-22 08:56:57 瀏覽記錄:864

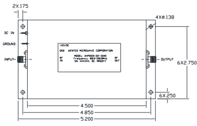
AHP0010-20-3040射頻功率放大器是WENTEQ公司生產的一款高性能微波設備。它具有以下特點:
1. 高工率輸送:能提高獨角獸高達10瓦特的P-1dB工率輸送,確保安全的信號傳送數據的強度和速率。 2. 很好的VSWR:兼具平穩的VSWR,能保證了增加器在的工作步驟中的平穩性。 3. 高Class AB基本操控的具體方法:選用Class AB基本操控的具體方法,即在控制高率的同時控制較低的工作頻率。 4. SMA類型、、的男性接入器:選擇SMA類型、、的男性接入器,有利與許多微波通信機 接入。 在高壓電器上,該調大器的操作的工作工作溫度標準為-20至+65°C,貯存工作工作溫度標準為-45至+125°C,充分考慮寬溫狀況下的食用使用需求。高壓電器指標屬于率標準(88.0-108.0 MHz)、P-1dB降低點(+39.0至+40.0 dBm)、所在IP3(55.0 dBm)等,體現了該調大器在頻射特點上成績非常好。 在物理節構層面,該擴大器長寬約為5.2x3.0x1.0寸大,狹窄的長寬符合在機械內部組織或外邊進行安裝。都具有DC IN、GRDUND、INPUT、OUTPUT等鏈接點,有利與外邊線路鏈接。規格參數:
| Parameters | Units | Specifications | ||
| Minimum | Typical | Maximum | ||
| Frequency Range | MHz | 88.0 | 108.0 | |
| P-1dB Compression Point | dBm | +39.0 | +40.0 | |
| Output IP3 | dBm | 55.0 | ||
| Nominal Gain@25°℃ base plate temperature | dB | 27.0 | 30.0 | 33.0 |
| Gain flatness | dB | +/-1.0 | ||
| Gain Variation over temperature | dB | +/-1.5 | ||
| Input VSWR | 1.5:1 | 2.0:1 | ||
| Output VSWR | 1.8:1 | 2.0:1 | ||
| Spurious | dBc | -60.0 | ||
| Operating Temperature | ℃ | 40.0 | +75.0 | |
| Survival Temperature | ℃ | -45.0 | +125.0 | |
| DC Power Supply Voltage | V | 48.0 | 50.0 | 53.0 |
| DC Curren Quiescent (no RF) aPout=+40dBm | mA | 100 500 | 200 650 | |
| In/Out connectors | SMA-type female | |||
| Size | inches | 5.2x3.0x1.0 | ||
成都市立維創展科技產業是WENTEQ的銷售商,首要給出WENTEQ食品還有環行器、隔離霜器、根據設備等,食品原版入口,產品品質切實保障,價格多少優越,熱情接待在線咨詢。