產業最新資訊
發表時間間隔:2024-05-20 09:02:27 瀏覽網頁:872

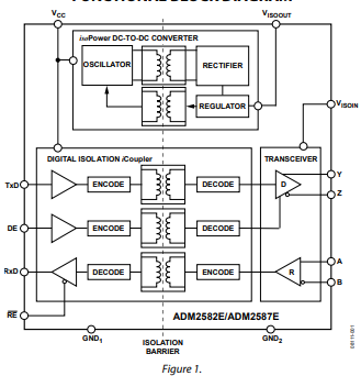
主要特點:
- 全ibms式隔開數據源收發的時候器:ADM2587Eibms了三通管道隔開器、三態差分輸電線路驅程器、差分顯示讀取器和一些isoPower DC/DC變為器,出具好幾個些全面的4g信號和電原隔開很好解決設計。 - ±15 kV ESD保護區措施:RS485手機輸入/打印輸出引腳存在消除靜電尖端放電(ESD)保護區措施,提升 了系統性的性價比高性和準確性。 - 一體化式要進行防曬防護隔離霜DC-DC電:內裝的isoPower工藝能提供要進行防曬防護隔離霜的DC/DC轉變成,不需要外面DC/DC要進行防曬防護隔離霜包塊。 - 完全復合細則:開發完全復合ANSI TIA/EIA-485-A-98和ISO 8482:1987(E)細則,代替于均等化的文件傳輸輸電線路。 - 靈巧的的工作電流:支持系統5V或3.3V單電源適配器電力。 - 高資料速度:ADM2587E鼓勵萬代高達500 kbps的資料速度。 - 多接點支撐:傳輸線會接連達到256個接點。 - 錯誤確保:滿足引路和不導通錯誤確保推送器發送,并且 熱關斷確保能力。 - 高共模瞬變抗擾度:還具有不超25 kV/μs的共模瞬變抗擾度,增長了裝置在十分惡劣周圍環境下的增強性。應用:
- 消毒式RS-485/RS-422音頻端口:采應用于還要電消毒的RS-485/RS-422光纖通信音頻端口。 - 化工實地現場線上:在化工自功化和掌握系統中,于勾勒正規的流量線上。 - 多方向數據庫信息輸送操作控制系統:在多方向通迅操作控制系統中,使用高速路數據庫信息輸送和接收到。產品型號:
| Model' | Data Rate (MMbps | Temperature Range | Package Description | Package Option | |
| ADM2582EBRWZ ADM2582EBRWZ-REEL7 | 16 16 | -40℃ to+85℃ -40℃ to+85℃ | 20-Lead SOIC_W 20-Lead SOIC_W | RW-20 RW-20 | |
| ADM2587EBRWZ ADM2587EBRWZ-REEL7 | 0.5 0.5 | -40℃ to +85℃ -40℃ to+85℃ | 20-Lead SOIC_W 20-Lead SOIC_W | RW-20 RW-20 | |
| EVAL-ADM2582EEBZ EVAL-ADM2582EEMIZ EVAL-ADM2587EEBZ EVAL-ADM2587EEMIZ EVAL-ADM2587EARDZ EVAL-ADM2587ERPIZ EVAL-ADM2587EEB2Z | ADM2582E Evaluation Board ADM2582E EMI Compliant Evaluation Board ADM2587E Evaluation Board ADM2587E EMI Compliant Evaluation Board ADM2587E Arduino Evaluation Board ADM2587E Raspberry Pi Evaluation Board ADM2587E Isolated RS-485 Repeater Evaluation Board | ||||