BXMP1012低嘈音rf射頻調大器API Tech
正式發布事件:2024-05-08 08:52:00 看:704

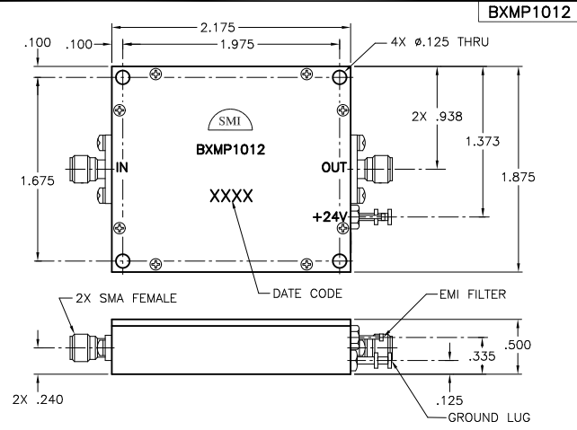
BXMP1012低低頻噪音放縮器是一個款專為想要低低頻噪音、高線形度和高輸入輸出工作電壓的技術應用而設計的放縮器。它享有接下來一般優點和缺點和優缺點: 1. 低躁聲因子:舉例臨界值3.7 dB,大臨界值4.0 dB,可使用于標準高信噪比的操作3d場景。 2. 高二階切斷點:常見值>+49 dBm,可以保障在對高小幅度輸人無線信號時不能會產生看不出的非線型模糊。 3. 高三階和二階雙音剪斷點:各是為+95 dBm(常見值)和+93 dBm(常見值),要能工作適度度的手機輸入走勢而易受影響力。 4. 高輸送工率1 dB減少點:主要表現指標值+32 dBm,輸送輸送工率大,在高根據時候下仍能始終維持較低模糊。 5. 操作熱度超范圍廣泛性:使用于-55℃至+100℃的操作生態熱度,-62 ℃至 +125 ℃的永久保存熱度的要求。 6. 速度比率廣泛應用領域:0.5 - 35 MHz,可滿意的不同速度下的應用領域要。 7. 鍵入/輸出電壓功效及收獲年紀精準明確:具備精準的功效、收獲和減少點年紀,簡便粉絲在規劃和用途時使用準確的產品定位。 8. VSWR低:錄入和所在交流電壓駐波比均小于等于1.5:1, 保障數據信息文件傳輸使用率。 9. 符合行業多方面:wifi手機電力、統計、自測環保設備等行業,符合于應該治療薄弱表現并保護表現完整詳細性和的質量的應用場景。
| CHARACTERISTIC | TYPICAL Ta=25 ℃ | MIN/MAX Ta =0℃ to+50℃ |
| Frequency | 0.5 -35 MHz | 05-35 MHz |
| Gain(dB) | 22 | 21.5 Min./ 22.5 Max |
| Gain Flatness (dB) | 0.5 | 0.5 Min. |
Power @ 1 dB Comp.(dBm) | +32 | +31 Min |
| P2(dBm)5-35 MHz | 93 | 90 Min |
| IP3(dBm | 49 | 47 Min. |
Reverse lsolation (dB) | 27 | 26 Min. |
| VSWR | In Out | <1.5:1 <1.5:1 | 1.5:1 Max 1.5:1 Max |
| Noise figure (dB) | 3.7 | 4.0 Max |
Powe Vdc mA | +24 425 | +24 450 Max |