餐飲行業手游資訊
發布消息期限:2024-04-22 09:28:29 搜素:873
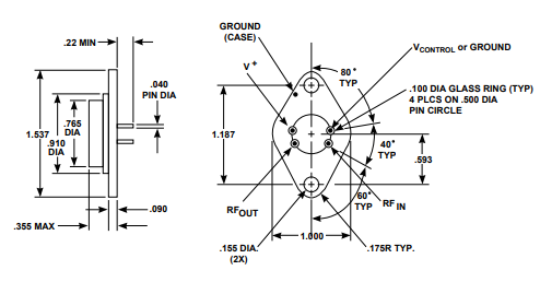
AGC-330是一款壓控放大器,由Teledyne公司生產。它采用了兩級薄膜雙極射頻放大器和具有0至5伏直流控制的PIN二極管的組合。這種設計使得AGC-330能夠實現超過36 dB的增益變化。電阻反饋確保了在不同溫度下的穩定增益,并且通過使用旁路電容器和扼流圈來對偏置輸入電壓進行射頻保護。該放大器封裝在TO-3密封封裝中。

以下是AGC-330的主要特性:
- 頻帶寬度規模:5至300 MHz- 單包封裝- 寬AGC范疇:36 dB(典型示范值)- 22 dB的增益控制(一般值)AGC-330的主要應用包括:
- 開環或前饋增益值保持- 收發機輸出精度增加收益控住- 壓力變送器輸出精度調平掌握這屬性和比較廣泛應用導致AGC-330在比較廣泛的頻射光電軟件裝置中具備比較重要的做用,舉例子網絡通信機械設備、統計軟件裝置等。| Maximum Ratings | |
| Parameter | Maximum |
| DC Voltage | +17 Volts |
| Continuous RF Input Power | +13 dBm |
| Operating Case Temperature | -55 to +125℃ |
| Storage Temperature | -62 to +150℃ |
| “R”Series Burn-In Temperature | +125°℃ |
| Thermal Characteristicsl | |
| θ?c | 105/105°C/W |
| Active Transistor Power Dissipation | 105/180 mW |
| Junction Temperature Above Case Temperature | 11/19°℃ |
| Weight:(typical)14.5 grams | |
成都 市立維創展科枝是Teledyne防務智能的供應商商,可以提供Teledyne防務光學的產品區域LDMOS、GaN、GaAs和InP。Teledyne防務電子設備成品線搭載寬頻段、窄帶、輸入脈沖調大器,規律1MHz~220GHz,輸出mW~10kW,優勢的渠道提拱Teledyne防務電子定貨,喜歡咨詢了解。
寶貝詳情知曉Teledyne防務光電子請鼠標單擊://www.myloveidc.com/brand/46.html