相關行業快訊
分享時間間隔:2024-03-21 09:23:53 搜索:852
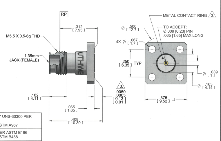
SOUTHWEST西南微波 2212-00SF 1.35 mm (E) 插孔(母) 4 孔 .375 四方形聯接器是專為微帶或跨接共蓋板價格而方案的,符合于多種多樣木板和生態板的強度。是專為微帶或跨接共蓋板價格而方案的,符合于多種多樣木板和生態板的強度。該聯接器要確保桌越的訊號完整詳細性,有章可循環便用,不用辦理對焊,安轉智能。


連接器特性:
音頻接口品類的:1.35mm Jack(Female),代表著著該聯系器為母頭(排插)品類的,不適用作與某些公頭(插針)的輸入聯系。
底殼用料:相防水連接器底殼選取材料生產制造,含有不錯的機械化撓度和平衡性。
接處產品:接處區域選擇BeCu錳鋼(UNS-C17300),那就是1種高質的導電產品,可有效確保走勢傳輸數據的維持性和可靠的性。
外壁治療:打交道面路過金子鍍后治療(非常符合ASTM B488基準),以的提升導電效能和抗鈍化特性。
其他特質:接連器定制有360°的五金地線環,提拱了健康的屏蔽掉治療效果,減小磁感應影響。除外,它還有著這個凹下去的五金地線環,有助于、變現更準固的地線接連。
SOUTHWEST華北紅外光集團籌建于1981年,為豪米波和高馬力rf射頻應用領域可以提供最快穩定性的互連軟件。SOUTHWEST東南微波加熱品牌富含所有規范標準活套法蘭插頭、SMA金屬接頭、N型頭無線聯接器、TNC進行射頻連接器、2.92mm鏈接器、2.40mm聯系器、自適應器、呼叫轉移頭等。SOUTHWEST好產品以高使用性能、細密為水平長處,SOUTHWEST多方面應用領域于測驗、軍工概念股等的項目。如幾大類直徑接入器、數據線等。
長沙市立維創展科學技術具備SOUTHWEST西北微波通信大一些機型給予外盤軟件,并督促給予能力大力支持與售后保障性服務性。
詳情介紹熟知 SOUTHWEST西南地區徽波請選擇://www.myloveidc.com/brand/7.html