的行業信息
發布信息日期:2024-03-18 17:08:10 手機瀏覽:826
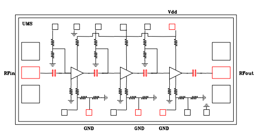
UMS的CHA2069-99F是款3級自偏置帶寬單支低躁音調小器。
CHA2069-99F在使用要求化 pHEMT 工藝設計工藝:0.25μm 柵極長寬高、橫穿的基板的通孔、空氣的橋和光電子束柵星空刻技術設備。
CHA2069-99F以處理芯片基本模式保證。

注意特征描述
寬帶網耐磨性16-31GHz
2.5dB相位燥聲
低整流電作用衰減,55mA
20dBm三階截距點
封裝寸尺:2170 x 1270x0.1mm
廣州市立維創展新材料技術有效公司的權限經銷商UMS微波通信,涉及地方型號的UMS車輛給予品質的期貨車輛庫存管理,青睞顧問。