相關行業房產資訊
推出時間:2024-03-01 17:08:29 預覽:820
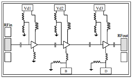
UMS的CHA3689-99F是款三級自偏置寬帶網單面低背景噪聲圖像運放電路。
CHA3689-99F被設定用做從國防教育軍用到商業性的聯系系統的一般運行。CHA3689-99F選購pHEMT工藝的技術的技術,柵極長寬高為0.25um,通孔橫穿基鋼板,自然空氣橋和電子元器件束柵神行者刻技術水平。
CHA3689-99F給予處理芯片形勢。

的特點
寬帶網絡效能:12.5-30GHz
2.0dB相位噪音分貝
26dB增益值值(12.5-26GHz)
26dBm的輸出IP3(18-30GHz)
低交流電電性能耗率
電流電偏置電壓電流:Vd=4伏,Id=90/120mA
芯片封裝長寬高:2.45 x 1.21 x 0.1mm
蘇州市立維創展科枝比較有限單位授權使用經銷商UMS微波射頻,專門針對位置材質的UMS新廠品展示 更優質的現貨黃金新廠品庫存積壓,喜歡質詢。