職業介紹
上線日子:2024-02-26 17:17:51 預覽:1230
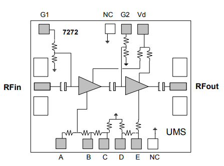
UMS的CHA2066-99F是款二級寬帶網單面低燥聲變成器。
CHA2066-99F進行規則HEMT的生產工藝流程工藝:0.25um柵極尺寸規格、橫穿的基板的螺孔、大氣橋和電子廠束柵極夜刻高技術。
CHA2066-99F以集成塊模式切換可以提供。

其主要特點
移動寬帶耐熱性10-16GHZ
2.0db相位環境噪聲,10-16GHZ
16db收獲值,+0.5db增益控制值高低不平度
低直流電功能鍵耗損率,50MA
20dbm三階截距點
封裝長寬:1.52 x 1.08 x 0.1mm
蘇州市立維創展科持不足集團公司商標授權銷售UMS微波加熱,對於地方型號規格的UMS食品具備上等的期貨食品庫存盤點,喜愛咨訊。