職業新聞咨詢
上架時期:2018-08-27 11:37:58 預覽:1892
AMCOM的GaAs MMIC PAs物料物料,較近最火了EM 封口,是替代品之間的FM封裝形式的,估計素一至一30年后大部分更設置成EM, FM但依然可仍在買入。 EM的能有效,更有優勢。
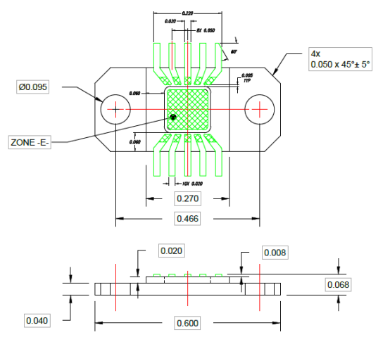
EM二極管封裝的設計制作圖

參考文獻標注:
1、配件/資料申報單:
|
詳情 |
村料 |
|
引線知識體系 |
銅 |
|
環框 |
氧化的鋁的型號1 每ASTM d2442 |
|
輪緣 |
CuW (75W;25Cu) |
1.1物料和/或開發的過程 的所有修改應以予以風格審批。
1.2全部的搬卸物貨的剖析材料書應存盤不不少2年。應按特殊要求供應職業資格證書復印件即可。
2、符合要求:
3、2.1鎳板請求:
2.1.1鉻層重量:100微屏幕尺寸最短氨基磺酸鎳在地方-E的學校側量。
2.1.2鎳強度數據資料應導出在材料中,并通過的客戶需要給出信息查詢。
2.2金板要:
2.2.1鑲金應合適MIL-STD-4204,第1類,III型的歸類想要;在金礦石床中,鉈當作亮光劑或晶粒大小進一步細化劑的施用是禁的。
2.2.2金含量了解證明應由廠家直銷商帶來了,以備不時之需不大于已超五年期。應必須企業帶來了證明復應件。
2.2.3電鍍鋅板厚為:最短50寸大,世界上最大檢測區城E--。
3、考察/疲勞試驗:
3.1膠貼劑直接頭:
3.1.1鍵合畫面為90%無接縫處。
3.2.2在締合物到法蘭盤黏接連接管中的空隔或不間斷性性是能接受的,指定設計緩沖區具備著用戶名一樣性,MI-STD-883的方法1014.10C。
3.2出平整度:
3.2.1區-E(交叉重合區域劃分)為0.0010平。
3.3位置合適:
3.3.1整合物對蝶閥法蘭的角向排布,極大3°。
3.4熱期:
3.4.1鍍銀應在空氣質量緊張感中去320°C±5°C,持續性5秒鐘±30秒。過熱解決包裝方式。
3.4.2引線拉力:引線在拉90°到環框水平線中應所能承受是較為小的0.66磅珍愛生命系數面。
3.4.3可焊性:引線應按MIL-STD750,技術2026可焊(省略除執證除外的水蒸氣受損)。
3.5分隔遺漏應在法蘭片和引線中間的200 VDC處為1微安,并引起引線。
3.6引線框是不能提升到環框空腔邊界。















更加的商品詳情,請去聯系公司博主!!!