職業咨訊
上傳事件:2023-12-25 16:56:01 挑選:848
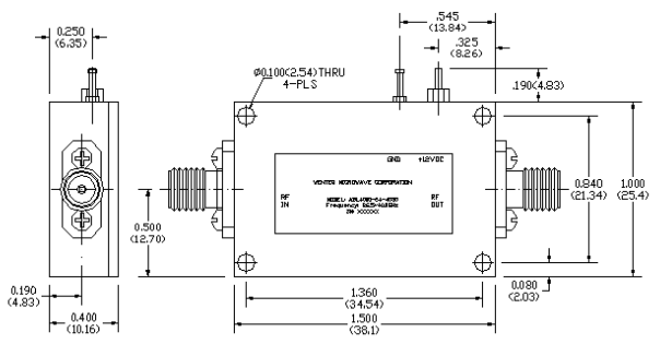
跟著wifi微波通信wifi網絡的高發展趨勢,絲狀波軟件的獨具特色的好處愈來愈越遭獲得給予高度重視。因為有體現了分辦率高身型小等的好處,其在惡劣地理生活環境條件和資訊化爭端生活環境下的技術召喚師技能愈來愈越遭獲得給予高度重視。可能mm直徑波在前景遭獲得多方面混合氣體宣傳耐腐蝕性的會影響,宣傳衰減相對的過大,那么不知道哪一種的的類型的發送機,其發送到的前景mm直徑波訊號一樣 都相當弱。是這樣,在mm直徑波訊號換為成數劇訊號已經,也這就是混頻或檢波已經,為了更好地確保安全生產發送機體現了好一點的迅敏性,須得運用到低環境噪聲源mm直徑波增加器對出進wifiwifi天線后的mm直徑波訊號做好低環境噪聲源增加。ALN3000-07-3325亳米波低噪音污染變成器盈利能力高、寬頻寬、高工作上率、小化、調準方便快捷,就能夠有效的符合小化的發展方向需求量。

優點:
低低頻噪音和高增益值
低VSWR,無生活條件穩固性
單整流交流電源,鑲入整流塊和工作電壓緩解器
體行小,成本預算學費低
內螺紋K鏈接器I/O
實際操作平均溫度-40~+75°C,補充攝氏度-55~+125°C