產業快訊
更新日期:2023-11-24 17:19:34 查看:925
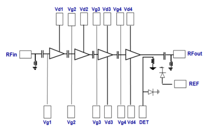
CHA6653-98F是款4級片式Gaas高電機功率增加器,是可以誕生1.8w的打印輸出耗油率。CHA6653-98F是長度非線性的,掌握收獲調整功效,并集合化耗油率查重器。分為ESD確保。
CHA6653-98F專為中國移動采用的需求制作。
CHA6653-98F運用PHEMT方法枝術,柵極尺寸規格為0.15um。

最主要表現形式
寬帶網絡效能:27-34GHZ
32dbm過剩工作功率
38dbmOIP3
23db收獲值
整流電偏置交流電壓:Vd=6伏ldq=0.9A
打包封裝長寬3.61x3.46x0.07mm