企業手游資訊
上架時刻:2023-11-15 17:03:45 閱覽:903
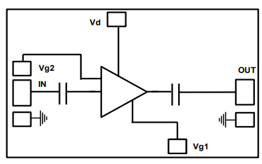
UMS的CHA3024-99F是個可以調整增益值控住系統軟件(AGC)為的規劃式低燥聲放小器,速度超范圍在2到22GHZ左右。
CHA3024-99F經常用到普遍的軟件中,舉例說明電子器件戰、XandKu點對點通迅遠程通迅和查重專用設備。
CHA3024-99F選則0.PHEMT技術,柵極尺寸為15um,基材上長通孔、室內空氣橋和光柵光刻技術工藝。
CHA3024-99F以集成塊狀態可以提供,輸入和輸出精度RF環路就可以高速切換到50ω。

首要特性
聯通寬帶穩定性:2-22GHz
先進典型非線性增加收益值:15db
Vg2可變式增益值值高至30db
P1B:18dBm
Psat:20dbm
OIP3:30dbm
一般相位噪音分貝:3db
電流電偏置直流電壓:Vd=5Vd=100MA。Va1=-03VandVa2=1.7V
打包封裝面積:3.04x1.73x0.1mm