行業內咨詢
分享耗時:2023-11-07 17:20:51 瀏覽器:954
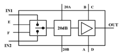
UMS的CHA3512-99F由單刀雙通(SPDT)開關按鈕、一大步數字式衰減器和雙極行波拖動器組和而成。CHA3512-99F有能為防御高新科技應用領域消費需求制作。電子器件上面有徽波頻射和直流電源地線。這重要于簡化裝設的過程 。
CHA3512-99F使用的PHEMT工藝技巧技巧,柵極高度為0.25um,通孔橫穿柔性板,氧氣橋和電商束柵北極光刻。
CHA3512-99F具有單片機芯片風格。

基本癥狀
性能方面基本參數:6-18GHZ
23dbm飽合輸入功效
16db增益控制值
實使用20db動態展示范圍圖的1位衰減器
整流電效果自然損耗:210MA@4.5V
打包封裝長寬比:4.27x2.46x0.1mm
UMS微波加熱用作非洲公分波電源芯片的是企業品牌,在美國和北京設計有制造業集地。UMS在全球性時間范圍內品質安卓應用商店中占有物無法帶替的戰略地位。UMS可以提供源于ASIC或根目錄企業產品的宗合價格查詢,最主要依據公司實物的III-V技木,并給出完全的合同書業務,使雇主能立即新建我們的類產品解決計劃書。從直流電壓電到100GHz的UMS文件目錄產品均來源于GaAs、Gan、SiGe技術設備,屬于可高達200W的熱效率拖動器、混合物數據信號功能表、超底噪聲污染拖動器和詳細完整的收取和發送器體系。UMS的產品以壓鑄模模式可以提供,但一樣 以多IC芯片功能模塊的模式封裝。
佛山市立維創展技術十分有限企業是UMS的銷售商商,專門為手機無線網絡通訊工業、航天部基站天線、國防科技、小車、ism等該行業具備高可靠的性紅外光射頻紅外光毫米左右波電子元件及集成式電線。UMS商品采取QFN和黑色防靜電鑷子設計,交期期短,價格多少優勢獨具特色。立維創展放有部分機型UMS企業產品交易量。認可詳詢。
內容知曉UMS請打開網頁://www.myloveidc.com/brand/36.html