互聯網行業內容
公布時刻:2023-11-07 17:09:53 觀看:956
低躁聲變大器是種特定品類的輸出功率變大器,其采用是常見。低躁聲變大器在徽波射頻和徽波方面內頗受邀請,夠有效的減低表現的噪音分貝,與此同時把表現變大到所要要的的水平。
ALN0252-10-5307N內聯低噪音分貝rf微波射頻放小器在多有線通迅系統和rf微波射頻軟件范疇圖中兼備決定性的目的,供應輸出功率放小電路系統和環境噪聲最長化,然后不斷提升接受機械性能、突出電力范疇圖和供應決定性數據顯示通迅系統。

表現:
低吵音和高增加收益
低VSWR,無經濟條件比較穩界定
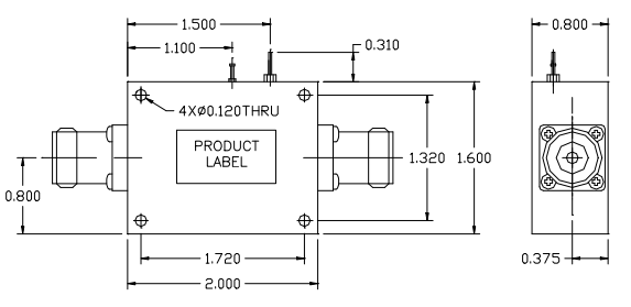
體積小,成本低價格低
N接線頭輸人輸出
單電流穩壓阻源,內聯直流電阻值調試器,容忍寬直流電阻值鍵盤輸入依據
實際操作平均溫度-40~+85°C,會自動儲存水平-55~+125°C
WENTEQ出具各個高品格的微波射頻射頻和微波射頻護膚品,交期時刻短,費用有相互認知度。護膚品以及同軸銜接器和兼容器、配置器、隔離防曬器、低背景噪聲變成器、電功率變成器、光纖寬帶變成器、接線端子、波導組件等。
長沙市立維創展科技公司是WENTEQ的經銷處商,主要出示WENTEQ廠品以及圓形器、隔絕器、過載設備等,廠品原版進口的,線質量以確保,出貨事件短,價值主要優勢,歡迎詞管理咨詢。
寶貝詳情熟知 WENTEQ請雙擊://www.myloveidc.com/brand/29.html