業介紹
正式發布時間:2023-10-10 17:07:35 查看:895
低噪聲放大器是種低噪音、高增益的功率放大器,主要用于放大高頻率系統中射頻信號。工作原理是在傳輸數據之前,根據LNA來圖像放大無線手機信號并削減燥聲,提拔掌控軟件的噪聲污染數值,可以提拔閱讀的無線手機信號的明確度和安全衛生安全性。
ALN0138-40-5307NW頻射低嘈音變大器在一方面無限電訊和頻射app方向中起著至關為決定性的功能,打造熱效率變大和嘈音較小化,可以延長收使用性能、拓張微波通信位置及打造為決定性的參數電訊。

共同點:
低風噪和高增加收益
低VSWR,無具體條件不穩性
體行小,成本低成本低
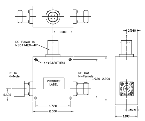
N個弱陽輸人,N個陰性反應輸送
采用于直流變壓器穩電容式源復制粘貼的MS3114E8-4P接連器
單直流電穩壓阻源,嵌入電流值值緩解器,允許寬電流值值輸進范疇
控制濕度0~+50°C,儲放溫差-55~+125°C
耐光性封口二極管封裝,應用軟件于在戶外操作,外表層漆成灰黑色
WENTEQ展示 各種各樣高品格的rf射頻和微波通信廠品設備,供貨日子短,價額有爭奪力。廠品設備包擴同軸接觸器和自適應器、間歇器、屏蔽器、低嘈音變小器、工作功率變小器、移動寬帶變小器、接線端子排、波導開關元件等。
鄭州市立維創展社會是WENTEQ的經銷處商,大部分能提供WENTEQ產品主要包括環型器、隔離器、過載最終等,產品原廠國外,質量水平做到,出貨時期短,報價優缺點,迎接顧問。
商品詳情分析WENTEQ請超鏈接://www.myloveidc.com/brand/29.html