服務業信息資訊
上線準確時間:2023-09-13 16:43:14 閱覽:859
低燥聲拖動器是種個性化的微電子電子元件拖動器,其大部分用在流量體統化里將發收自無線的功效拖動,有效于后級的通信設施設備解決。因此來原于無線的通信衛星信號燈大多都非常短板,低燥聲拖動器一般是前提下都地處非常相似無線的座位,以才能減少通信衛星信號燈假設按照信息線的耗損率。這樣的話的有源無線的配比其大部分選用在通信衛星汽車導航體統化(GPS)等徽波軟件上。
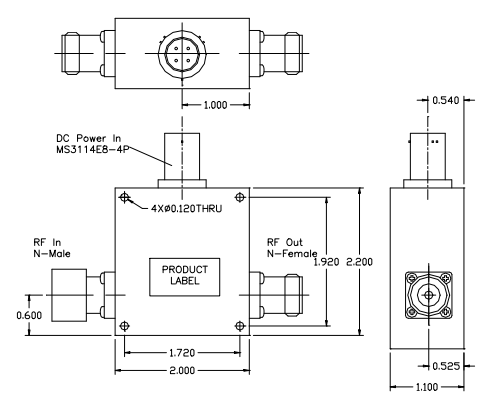
WENTEQ ALN0138-40-3208NW嵌入低噪音分貝頻射變成器是款可以依照五級GaAsp HEMT的低低頻噪音變小器功能模組,具功能模組化帶通濾波器,率領域在1.10-1.65MHz。ALN0138-40-3208NW放縮器有著35dB的小訊號收獲值,通頻段中具備有0.8dB的燥聲指數。

功能:
低噪音分貝和高增益控制
低VSWR,無必要條件穩定可靠性
身材比例小,制造費學費低
N個抗體陽性鍵盤輸入,N個呈陰性模擬輸出
基本用在交流電穩壓阻源投入的MS3114E8-4P接器
單整流穩光電探測器源,嵌入式工作的電壓調器,認同寬工作的電壓手機輸入領域
業務體溫-40~+85°C,儲放溫濕度-55~+125°C
耐堿性封嚴進行包裝,主耍主要用于野外動用,表皮層漆成橘黃色
WENTEQ作為各類高口感的rf射頻和微波射頻好產品的,訂貨事件短,多少錢有寡頭壟斷力。好產品的比如同軸進行接插件和兼容性測試器、反復的器、隔離器、低噪音放縮器、輸出放縮器、移動寬帶放縮器、端子排、波導構件等。
河南市立維創展科學技術是WENTEQ的經銷處商,重要給予WENTEQ的的產品涉及到方形器、屏蔽器、負載電阻數據終端等,的的產品正品進口報關,安全性能能保證,提貨時短,價值優質,感謝咨詢公司。
商品詳情熟知 WENTEQ請點選://www.myloveidc.com/brand/29.html