行業內新聞
推出時刻:2023-08-31 16:46:58 預覽:1377
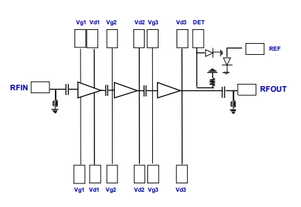
UMS的CHA6550-98F是款三類單面GaAs高電工作功率變成器三極管,在所在端口號集成型化差模電工作功率論文檢測系統。這是由于柵極交流電壓,需要控制高至15dB的增加收益控住。
CHA6550-98F是確認現場視頻效驗的跳轉點中國電信網洛系統的徹底徹底解決范文,一樣采用作遙感衛星通信網絡等另一個機器設備。CHA6550-98F還具有較高規則化度,從而與上代參數預失幀兼容。其有很多功用途偏置環境影響于調節器功能。
CHA6550-98F配用pHEMT地方分析工序技藝,柵極的尺寸為0.15μm。

常見顯著特點
寬帶網特性:17-23.6GHZ
34dbm供大于求輸出
39dbmOIP3
22db增益控制值
增益調控調控高至15db
直流電源電偏置直流電壓:Vd=V=1.3A
二極管封裝長寬3.46x361x007mm
UMS微波加熱當作歐州直徑波集成ic的代表英語產品品牌,在芬蘭和德國設有有服務業機地。UMS在全球排名領域內高性價比適用專業市場占有權無法使用的實力。UMS給予依托于ASIC或分類目錄產品的綜合性報價為,基本根據司組織結構的III-V技術性,并帶來切實的勞務合同保障,使顧客能馬上創建活動你的品牌處理方案設計。從直流電源電到100GHz的UMS根目錄服務均為GaAs、Gan、SiGe高技術,包涵高至200W的效率調大器、相混衛星信號模塊、非常低的噪聲污染調大器和軟件系統的收發的時候器軟件系統。UMS產品設備以壓鑄模風格具備,但通常情況下以多處理器包塊的風格二極管封裝。
杭州市立維創展科技產業較少機構是UMS的代理權商,職業為無線網通信系統過程中、航空基站設備、民防、二手車、ism等行業領域展示 高可信度性rf射頻微波加熱公厘波元器件及模塊化電路系統。UMS產品的應用QFN和塑模包裝,交房期短,報價優越性獨有。立維創展藏有有些類型UMS類產品庫存商品。追捧咨詢公司。
寶貝詳情了解一下UMS請點開://www.myloveidc.com/brand/36.html